- Deutsch (de)
- English (en)
Part of the Solar System is the battery management system (BMS). In my case I used a Chinese company JKBMS that has made a name for itself online. One drawback was the missing link between BMS and inverter. Without this link the inverter can only estimate the battery charge level for instance. The following project closed the gap.
In order to allow two systems to talk to each other we have to find a compatible protocol or adapt one side to fit to the other. The inverter GROWATT SPF5000ES from my Solar System supports RS485 and CAN protocols.
Unfortunately the battery manufacturer use own proprietary protocols. At least the protocol from PYLONTECH can be easily found in the internet (see download area). For GROWATT it's the protocol setup CAN L52 (Protocol)
The BMS B2A245-20P documentation describes a CAN interface but it's only optional (can be customised). But a RS485 interface is standard named GPS. In fact it's a serial interface with 3.3V level shifter inside and MODBUS protocol.
.
CAUTION: The power pin VCC at RS485/GPS connector is VBAT. That means we will see a voltage of 45-58V (=battery voltage) at this terminal.
The protocol description can be find in the download session.
The target job for our converter would be to request all mandatory data from BMS via MODBUS and send it via dedicated CAN messages to the inverter.
A lot of clever makers have already challenged this task. Here an incomplete list:
As I use Home Assistant for my home automation I preferred a ESPHome solution from Sleeper85. But because I am an enthusiast of compact solutions I designed my own PCB and case.
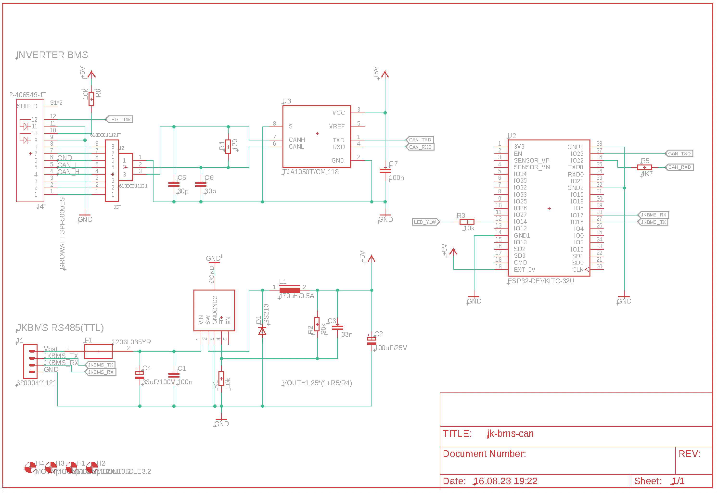
The converter block diagram doesn't look too complicated.
JKBMS to CAN converter
UART-TTL RS232-TTL CAN BUS (5V).
┌──────────┐ ┌──────────┐ ┌────────────┐ ┌──────────┐
│ │<TX----------RX>│16 23│<TX-------TX>| | | |
│ JK-BMS │<RX----------TX>│17 22│<RX--4K7--RX>| TJA1050 |<---CAN H --->| Inverter |
│ │<-----GND------>│ ESP32 │<----GND---->| CAN |<---CAN L --->| |
│ │<VBAT-+ +-5V>│VIN VIN│<----5V----->| | | |
└──────────┘ | | └──────────┘ └────────────┘ └──────────┘
┌────────┐
│ Power │
│ Supply │
└────────┘
The converter should be always powered (as the BMS) to avoid dead locks. Therefore I like to use VBAT as power source. The power supply is based on a XL7015 Buck DC to DC Converter (0.8A 150KHz 80V) from XLSEMI. The 5V output voltage can be defined by two resistors (R1/R2). The CAN interface is implemented by well-known TJA1050 from NXP and a standard RJ45 plug. The heart of the converter is a 38-pin ESP32-DEVKIT.
The final module in my 3D-printed case. The corresponding STL file is also attached in download area.
As mentioned the software is based on ESPHome JK-BMS-CAN. I did only some slight modifications at the CAN protocol data.
JK-BMS-CAN ( PYLON, Seplos, GoodWe, SMA and Victron CAN bus protocol ) # esp32_wire_jk-bms-can.yaml is free software: you can redistribute it # and/or modify it under the terms of the GNU General Public License # as published by the Free Software Foundation, either version 3 # of the License, or (at your option) any later version. # # This program is distributed in the hope that it will be useful, # but WITHOUT ANY WARRANTY; without even the implied warranty of # MERCHANTABILITY or FITNESS FOR A PARTICULAR PURPOSE. # See the GNU General Public License for more details. # # You should have received a copy of the GNU General Public License # along with this program. If not, see <http://www.gnu.org/licenses/gpl.html>. # V1.16.3 Sleeper85 : ID 0x379 will be sent when choosing protocol 2 or 4 (Battery Capacity for Victron, Sol-Ark and Luxpower) # V1.16.2 Sleeper85 : Split the "Charge/Discharge values" section and added instructions for "Stop Discharging" + Set "esp-idf" framework by default # V1.16.1 Sleeper85 : Slider charging_current max value = ${charge_a}, Improved Alarm/Charging/Discharging Logic, Improved CAN protocol and Victron support # V1.15.5 Sleeper85 : Improved code and set api "reboot_timout" to "0s" by default (no reboot without HA) # V1.15.4 Sleeper85 : Improved documentation for API, Web Server and WiFi settings # V1.15.3 Sleeper85 : Add 'CAN Protocol Settings' and new CAN ID based on the SMA and Victron protocol (alpha) # V1.15.2 Sleeper85 : Improved Alarm handling, all alarms will set charge/discharge current to 0A and set 'Charging Status' to Alarm # V1.15.1 Sleeper85 : New CANBUS script with CANBUS Status in HA, stop sending CAN messages if the inverter is not responding (fix WDT reboot issues) # V1.14.3 Sleeper85 : Improved documentation + Charging Voltage tips for Deye # V1.14.2 Sleeper85 : Improve 'Charging Voltage' behavior # V1.14.1 Sleeper85 : Add 'Float charge function' # V1.13.6 Sleeper85 : Add 'Absorption time' and 'Absorption Offset V.' slider # V1.13.5 Sleeper85 : Set CAN manufacter to "PYLON" for improve compatibility with Deye and other inverters # V1.13.4 Sleeper85 : Improve 'Charge Status' behavior + add 'Rebulk Offset V.' slider # V1.13.3 uksa007 : Improve compatibility with Deye and other inverters # V1.13.2 uksa007 : Send Max Temperature of T1, T2 to inverter # V1.13.1 uksa007 : Fix compile issues with new version of ESPhome 2023.4.0, set rebulk offset to 2.5 substitutions: # +--------------------------------------+ # name that will appear in esphome and homeassistant. name: jk-bms-can device_description: "JK-BMS via UART-TTL and CAN" # +--------------------------------------+ # Number of Battery modules max 8. Each LX U5.4-L battery is 5.4kWh, select the number closest to your capactiy eg 3.2V * 280Ah * 16 = 14.3kWh # Each PYLON US2000 battery has 48V/2.4kWh, Installed battery set: 3.2V * 310Ah * 16 = 15.87kWh --> 7 (7 * 2.4kWh = 16.8kWh) batt_modules: "7" # +--------------------------------------+ # | Battery Charge Settings | # +--------------------------------------+ # Tips for Deye inverter : Add 0.1v to the settings below because the Deye charging voltage is always 0.1v lower than requested. # Float V. : 53.7v (3.35v/cell - Natural voltage of a fully charged cell at rest, I advise you not to go higher.) # Absorption V : 55.3v (3.45v/cell - It's not necessary to use a charging voltage higher than 55.2V for a full charge.) # Absorption Offset V. : 0.15v (The absorption phase will start at 55.15v (BMS voltage). Warning: the BMS voltage must be correctly calibrated.) # +--------------------------------------+ # This is max charging amps eg 100A, for Bulk - Constant Current charging(CC), should be at least 10A less than BMS change current protection, 0.5C max # 100A * 50V = 5000W charge_a: "62" # Float Voltage : corresponds to the voltage at which the battery would be maintained at the end of the absorption phase. (53.6v eg 3.35v/cell for 16 cells 48V battery) float_v: "53.6" # Absorption Voltage : corresponds to the Bulk voltage that will be used to charge the battery. (55.2v eg 3.45v/cell for 16 cells 48V battery) absorption_v: "55.2" # Absorption time in minutes to hold charge voltage after charge voltage is reached eg 30 absorption_time: "30" # Absorption offset, x Volts below absorption voltage battery will start the absorption timer, eg 55.2-0.05 = 52.15v absorption_offset_v: "0.05" # Rebulk offset, x Volts below absorption voltage battery will request rebulk, eg 55.2-2.5 = 52.7v rebulk_offset_v: "2.5" # +--------------------------------------+ # | Battery Discharge Settings | # +--------------------------------------+ # Max discharge amps eg 120, should be at least 10A less than BMS over discharge current protection, 0.5C max # 120A * 50V = 6000W discharge_a: "100" # Minimum discharge voltage eg 48v/16 = 3V per cell min_discharge_v: "48" # +--------------------------------------+ # | Battery State of Health (SOH) | # +--------------------------------------+ # Maximum charging cycles is used to calculate the battey SOH, LF280K v3 =8000.0, LF280K v2 =6000.0, LF280=3000.0 (decimal is required) max_cycles: "6000.0" # +--------------------------------------+ # | CAN Protocol Settings | # +--------------------------------------+ # CAN BMS Name (0x35E) : 0 NoSent / 1 PYLON / 2 GOODWE / 3 SEPLOS can_bms_name: "1" # CAN Protocol # 1 : PYLON 1.2 (Deye) # 2 : SEPLOS 1.0, PYLON 1.3, GOODWE 1.5 (GoodWe, Sol-Ark, Luxpower) # 3 : SMA (Sunny Island) # 4 : VICTRON can_protocol: "1" # +--------------------------------------+ # | ESP32 CAN/serial port pins | # +--------------------------------------+ # GPIO pins your CAN bus transceiver (TJA1050, TJA1051T or SN65HVD230) is connected to the ESP32 TX->TX and RX->RX ! can_tx_pin: GPIO23 can_rx_pin: GPIO22 # GPIO pins your JK-BMS UART-TTL is connected to the ESP32 TX->RX and RX->TX ! tx_pin: GPIO17 rx_pin: GPIO16 # +------------------------------------------------------------------+ # | ** The settings below can be modified according to your needs ** | # +------------------------------------------------------------------+ external_components_source: github://syssi/esphome-jk-bms@main # components # github://syssi/esphome-jk-bms@main esphome: name: ${name} on_boot: then: - switch.turn_on: switch_charging - switch.turn_on: switch_discharging - switch.turn_on: switch_chg_float # +--------------------------------------+ # | ESP32 settings | # +--------------------------------------+ # For a stable Bluetooth connection keep the "esp-idf" framework esp32: board: esp32doit-devkit-v1 framework: type: esp-idf external_components: - source: ${external_components_source} refresh: 0s logger: # level: DEBUG ota: password: "06113be1d70fb74e1cc42005ceee16d5" # Please use the native `api` component instead of the `mqtt` section. # If you use Home Assistant, the native API is more lightweight. # If there is no HA server connected to this API, the ESP32 reboots every 15 minutes to try to resolve the problem. # If you don't use Home Assistant please uncomment the "reboot_timeout: 0s" option. api: reboot_timeout: 0s # If you don't want to use ESPHome's native API you can use MQQT instead. # In this case don't forget to remove the 'api:' section. # mqtt: # broker: !secret mqtt_host # username: !secret mqtt_username # password: !secret mqtt_password # id: mqtt_client # In the event of problems with the WiFi network, the ESP32 will reboot every 15 minutes to try to resolve the problem. # If we don't want to connect the ESP32 to the WiFi network please remove the 4 lines below. wifi: ssid: !secret wifi_ssid password: !secret wifi_password # domain: !secret domain manual_ip: static_ip: 192.168.1.224 gateway: 192.168.1.1 subnet: 255.255.255.0 #web_server: # port: 80 # log: false # ota: false # +--------------------------------------+ # | ** Don't make changes below this ** | # +--------------------------------------+ globals: - id: can_ack_counter type: int restore_value: no initial_value: '0' - id: charge_status type: std::string restore_value: no initial_value: '"Alarm"' - id: can_status type: std::string restore_value: no initial_value: '"OFF"' - id: alarm_status type: std::string restore_value: no initial_value: '"NoAlarm"' - id: charging_v type: float restore_value: no initial_value: '0.0' - id: charging_a type: int restore_value: no initial_value: '0' - id: discharging_a type: int restore_value: no initial_value: '0' - id: can_msg_counter type: int restore_value: no initial_value: '0' output: - platform: gpio pin: 2 id: led inverted: true light: - platform: binary output: led id: led_buitin name: "Builtin LED" internal: true # +--------------------------------------+ # | JK-BMS UART connection | # +--------------------------------------+ uart: id: uart_0 baud_rate: 115200 rx_buffer_size: 384 tx_pin: ${tx_pin} rx_pin: ${rx_pin} # debug: # direction: BOTH jk_modbus: id: modbus0 uart_id: uart_0 jk_bms: id: bms0 jk_modbus_id: modbus0 # enable_fake_traffic: true # +--------------------------------------+ binary_sensor: - platform: jk_bms balancing: name: "${name} balancing" balancing_switch: name: "${name} balancing switch" charging: name: "${name} charging" charging_switch: id: charging_switch name: "${name} charging switch" discharging: name: "${name} discharging" discharging_switch: id: discharging_switch name: "${name} discharging switch" dedicated_charger_switch: id: dedicated_charger_switch name: "${name} dedicated charger switch" sensor: - platform: jk_bms min_cell_voltage: id: min_cell_voltage name: "${name} min cell voltage" max_cell_voltage: id: max_cell_voltage name: "${name} max cell voltage" min_voltage_cell: id: min_voltage_cell name: "${name} min voltage cell" max_voltage_cell: id: max_voltage_cell name: "${name} max voltage cell" delta_cell_voltage: name: "${name} delta cell voltage" average_cell_voltage: name: "${name} average cell voltage" cell_voltage_1: name: "${name} cell voltage 1" cell_voltage_2: name: "${name} cell voltage 2" cell_voltage_3: name: "${name} cell voltage 3" cell_voltage_4: name: "${name} cell voltage 4" cell_voltage_5: name: "${name} cell voltage 5" cell_voltage_6: name: "${name} cell voltage 6" cell_voltage_7: name: "${name} cell voltage 7" cell_voltage_8: name: "${name} cell voltage 8" cell_voltage_9: name: "${name} cell voltage 9" cell_voltage_10: name: "${name} cell voltage 10" cell_voltage_11: name: "${name} cell voltage 11" cell_voltage_12: name: "${name} cell voltage 12" cell_voltage_13: name: "${name} cell voltage 13" cell_voltage_14: name: "${name} cell voltage 14" cell_voltage_15: name: "${name} cell voltage 15" cell_voltage_16: name: "${name} cell voltage 16" # cell_voltage_17: # name: "${name} cell voltage 17" # cell_voltage_18: # name: "${name} cell voltage 18" # cell_voltage_19: # name: "${name} cell voltage 19" # cell_voltage_20: # name: "${name} cell voltage 20" # cell_voltage_21: # name: "${name} cell voltage 21" # cell_voltage_22: # name: "${name} cell voltage 22" # cell_voltage_23: # name: "${name} cell voltage 23" # cell_voltage_24: # name: "${name} cell voltage 24" power_tube_temperature: id: power_tube_temperature name: "${name} power tube temperature" temperature_sensor_1: id: temperature_sensor_1 name: "${name} temperature sensor 1" temperature_sensor_2: id: temperature_sensor_2 name: "${name} temperature sensor 2" total_voltage: id: total_voltage name: "${name} total voltage" current: id: current name: "${name} current" power: name: "${name} power" charging_power: name: "${name} charging power" discharging_power: name: "${name} discharging power" capacity_remaining: id: capacity_remaining name: "${name} capacity remaining" capacity_remaining_derived: name: "${name} capacity remaining derived" temperature_sensors: name: "${name} temperature sensors" charging_cycles: id: charging_cycles name: "${name} charging cycles" total_charging_cycle_capacity: name: "${name} total charging cycle capacity" battery_strings: name: "${name} battery strings" errors_bitmask: id: errors_bitmask name: "${name} errors bitmask" operation_mode_bitmask: name: "${name} operation mode bitmask" total_voltage_overvoltage_protection: name: "${name} total voltage overvoltage protection" total_voltage_undervoltage_protection: name: "${name} total voltage undervoltage protection" cell_voltage_overvoltage_protection: name: "${name} cell voltage overvoltage protection" cell_voltage_overvoltage_recovery: name: "${name} cell voltage overvoltage recovery" cell_voltage_overvoltage_delay: name: "${name} cell voltage overvoltage delay" cell_voltage_undervoltage_protection: name: "${name} cell voltage undervoltage protection" cell_voltage_undervoltage_recovery: name: "${name} cell voltage undervoltage recovery" cell_voltage_undervoltage_delay: name: "${name} cell voltage undervoltage delay" cell_pressure_difference_protection: name: "${name} cell pressure difference protection" discharging_overcurrent_protection: name: "${name} discharging overcurrent protection" discharging_overcurrent_delay: name: "${name} discharging overcurrent delay" charging_overcurrent_protection: name: "${name} charging overcurrent protection" charging_overcurrent_delay: name: "${name} charging overcurrent delay" balance_starting_voltage: name: "${name} balance starting voltage" balance_opening_pressure_difference: name: "${name} balance opening pressure difference" power_tube_temperature_protection: name: "${name} power tube temperature protection" power_tube_temperature_recovery: name: "${name} power tube temperature recovery" temperature_sensor_temperature_protection: name: "${name} temperature sensor temperature protection" temperature_sensor_temperature_recovery: name: "${name} temperature sensor temperature recovery" temperature_sensor_temperature_difference_protection: name: "${name} temperature sensor temperature difference protection" charging_high_temperature_protection: name: "${name} charging high temperature protection" discharging_high_temperature_protection: name: "${name} discharging high temperature protection" charging_low_temperature_protection: name: "${name} charging low temperature protection" charging_low_temperature_recovery: name: "${name} charging low temperature recovery" discharging_low_temperature_protection: name: "${name} discharging low temperature protection" discharging_low_temperature_recovery: name: "${name} discharging low temperature recovery" total_battery_capacity_setting: id: total_battery_capacity_setting name: "${name} total battery capacity setting" current_calibration: name: "${name} current calibration" device_address: name: "${name} device address" sleep_wait_time: name: "${name} sleep wait time" alarm_low_volume: name: "${name} alarm low volume" manufacturing_date: name: "${name} manufacturing date" total_runtime: name: "${name} total runtime" # start_current_calibration: # name: "${name} start current calibration" actual_battery_capacity: name: "${name} actual battery capacity" # protocol_version: # name: "${name} protocol version" # +--------------------------------------+ # | Uptime sensor | # +--------------------------------------+ - platform: uptime name: ${name} Uptime Sensor id: uptime_sensor update_interval: 60s on_raw_value: then: - text_sensor.template.publish: id: uptime_human state: !lambda |- int seconds = round(id(uptime_sensor).raw_state); int days = seconds / (24 * 3600); seconds = seconds % (24 * 3600); int hours = seconds / 3600; seconds = seconds % 3600; int minutes = seconds / 60; seconds = seconds % 60; return ( (days ? to_string(days) + "d " : "") + (hours ? to_string(hours) + "h " : "") + (minutes ? to_string(minutes) + "m " : "") + (to_string(seconds) + "s") ).c_str(); text_sensor: - platform: jk_bms errors: name: "${name} errors" operation_mode: name: "${name} operation mode" battery_type: name: "${name} battery type" # password: # name: "${name} password" device_type: name: "${name} device type" software_version: name: "${name} software version" manufacturer: name: "${name} manufacturer" total_runtime_formatted: name: "${name} total runtime formatted" # +--------------------------------------+ # | Template text sensors | # +--------------------------------------+ - platform: template name: ${name} Uptime Human Readable id: uptime_human icon: mdi:clock-start - platform: template name: "${name} Charging Status" id: charging_status - platform: template name: "${name} CANBUS Status" id: canbus_status # +--------------------------------------+ # | Slider | # +--------------------------------------+ number: - platform: template name: "${name} Bulk voltage" id: "bulk_voltage" step: 0.1 min_value: 52.8 max_value: 57.6 mode: slider initial_value: "${absorption_v}" unit_of_measurement: V icon: mdi:battery-charging optimistic: true - platform: template name: "${name} Float voltage" id: "float_voltage" step: 0.1 min_value: 52.8 max_value: 57.6 mode: slider initial_value: "${float_v}" unit_of_measurement: V icon: mdi:battery-charging optimistic: true - platform: template name: "${name} Charging current max" id: "charging_current" step: 1 min_value: 0 max_value: "${charge_a}" mode: slider initial_value: "${charge_a}" unit_of_measurement: A icon: mdi:current-dc optimistic: true - platform: template name: "${name} Rebulk Offset V." id: "rebulk_offset" step: 0.1 min_value: 0 max_value: 5 mode: slider initial_value: "${rebulk_offset_v}" unit_of_measurement: V icon: mdi:sine-wave optimistic: true - platform: template name: "${name} Absorption time" id: "absorption_time" step: 1 min_value: 0 max_value: 180 mode: slider initial_value: "${absorption_time}" unit_of_measurement: min icon: mdi:clock-start optimistic: true - platform: template name: "${name} Absorption Offset V." id: "absorption_offset" step: 0.05 min_value: 0 max_value: 1 mode: slider initial_value: "${absorption_offset_v}" unit_of_measurement: V icon: mdi:sine-wave optimistic: true script: - id: absorption_script then: - lambda: id(charge_status) = "Absorption"; # delay value in ms - delay: !lambda "return id(absorption_time).state * 60 * 1000;" - lambda: id(charge_status) = "Wait"; switch: - platform: template name: ${name} Charging enabled id: switch_charging optimistic: true - platform: template name: ${name} Discharge enabled id: switch_discharging optimistic: true - platform: template name: ${name} Charging manually (top bal) id: switch_chg_bulk optimistic: true - platform: template name: ${name} Float charge id: switch_chg_float optimistic: true # +--------------------------------------+ # | CAN bus script | # +--------------------------------------+ canbus: - platform: esp32_can tx_pin: ${can_tx_pin} rx_pin: ${can_rx_pin} can_id: 4 bit_rate: 500kbps on_frame: - can_id: 0x305 # Inverter ACK - SMA/LG/Pylon/Goodwe reply then: - light.toggle: id: led_buitin - lambda: |- id(can_ack_counter) = 0; // Reset ACK counter id(can_status) = "ON"; // Set CANBUS Status to ON id(canbus_status).publish_state(id(can_status)); // Publish text sensor ESP_LOGI("main", "received can id: 0x305 ACK"); interval: - interval: 120s then: - lambda: id(can_ack_counter) = 0; // Reset ACK counter for test inverter ACK - interval: 100ms then: # Start CAN Handling - if: condition: lambda: |- if (id(can_ack_counter) < 20) { // Inverter ACK ? => CANBUS ON id(can_ack_counter)++; // CANBUS ACK counter ++ id(can_msg_counter)++; // CANBUS MSG counter ++ return true; // Condition OK } else if (id(can_status) == "OFF") { // CANBUS already OFF ? return false; // Nothing to do } else { id(can_status) = "OFF"; // Set CANBUS Status to OFF id(canbus_status).publish_state(id(can_status)); // Publish text sensor ESP_LOGI("main", "No rx can 0x305 reply, Inverter not connected/responding..."); return false; // Condition NOK } then: - if: condition: lambda: return ((id(can_msg_counter) == 1) & ((${can_protocol} == 1) | (${can_protocol} == 2))); then: canbus.send: # Protection Alarms, Warning and Flags ( Pylontech / Goodwe / Seplos ) can_id: 0x359 data: !lambda |- // +---------------------------+ // | JK-BMS errors bitmask | // +---------------------------+ // 0x8B 0x00 0x00: Battery warning message 0000 0000 0000 0000 // // Bit 0 Low capacity 1 (alarm), 0 (normal) warning // Bit 1 Power tube overtemperature 1 (alarm), 0 (normal) alarm // Bit 2 Charging overvoltage 1 (alarm), 0 (normal) alarm // Bit 3 Discharging undervoltage 1 (alarm), 0 (normal) alarm // Bit 4 Battery over temperature 1 (alarm), 0 (normal) alarm // Bit 5 Charging overcurrent 1 (alarm), 0 (normal) alarm // Bit 6 Discharging overcurrent 1 (alarm), 0 (normal) alarm // Bit 7 Cell pressure difference 1 (alarm), 0 (normal) alarm // Bit 8 Overtemperature alarm in the battery box 1 (alarm), 0 (normal) alarm // Bit 9 Battery low temperature 1 (alarm), 0 (normal) alarm // Bit 10 Cell overvoltage 1 (alarm), 0 (normal) alarm // Bit 11 Cell undervoltage 1 (alarm), 0 (normal) alarm // Bit 12 309_A protection 1 (alarm), 0 (normal) alarm // Bit 13 309_A protection 1 (alarm), 0 (normal) alarm // Bit 14 Reserved // Bit 15 Reserved // // Examples: // 0x0001 = 00000000 00000001: Low capacity alarm // 0x0002 = 00000000 00000010: MOS tube over-temperature alarm // 0x0003 = 00000000 00000011: Low capacity alarm AND power tube over-temperature alarm // +---------------------------+ // | Protection : byte 0 and 1 | // +---------------------------+ uint8_t can_mesg[] = {0, 0, 0, 0, 0, 0, 0, 0}; // JK-BMS alarm ? if (id(errors_bitmask).state > 1) { uint16_t jk_errormask = id(errors_bitmask).state; if ((jk_errormask & 0x04) | (jk_errormask & 0x80) | (jk_errormask & 0x400)) { // Hight.Voltage.Alarm JK bit 2,7,10 can_mesg[0] = 0x02; // byte0_bit1 (0x02 = bin 10) id(alarm_status) = "OVP"; ESP_LOGI("main", "Hight.Voltage.Alarm JK bit 2,7,10 - can_msg[0] : %x", can_mesg[0]); } if ((jk_errormask & 0x08) | (jk_errormask & 0x800)) { // Low.Voltage.Alarm JK bit 3,11 can_mesg[0] = can_mesg[0] | 0x04; // byte0_bit2 (0x04 = bin 100) id(alarm_status) = "UVP"; ESP_LOGI("main", "Low.Voltage.Alarm JK bit 3,11 - can_msg[0] : %x", can_mesg[0]); } if ((jk_errormask & 0x02) | (jk_errormask & 0x10) | (jk_errormask & 0x100)) { // Hight.Temp.Alarm JK bit 1,4,8 can_mesg[0] = can_mesg[0] | 0x08; // byte0_bit3 (0x08 = bin 1000) id(alarm_status) = "OTP"; ESP_LOGI("main", "Hight.Temp.Alarm JK bit 1,4,8 - can_msg[0] : %x", can_mesg[0]); } if ((jk_errormask & 0x200)) { // Low.Temp.Alarm JK bit 9 can_mesg[0] = can_mesg[0] | 0x10; // byte0_bit4 (0x10 = bin 10000) id(alarm_status) = "UTP"; ESP_LOGI("main", "Low.Temp.Alarm JK bit 9 - can_msg[0] : %x", can_mesg[0]); } if ((jk_errormask & 0x40)) { // Discharge.Over.Current JK bit 6 can_mesg[0] = can_mesg[0] | 0x80; // byte0_bit7 (0x80 = bin 10000000) id(alarm_status) = "DOCP"; ESP_LOGI("main", "Discharge.Over.Current JK bit 6 - can_msg[0] : %x", can_mesg[0]); } if ((jk_errormask & 0x20)) { // Charge.Over.Current JK bit 5 can_mesg[1] = 0x01; // byte1_bit0 (0x01 = bin 1) id(alarm_status) = "COCP"; ESP_LOGI("main", "Charge.Over.Current JK bit 5 - can_msg[1] : %x", can_mesg[1]); } if ((jk_errormask & 0x1000) | (jk_errormask & 0x2000)) { // BMS internal error JK bit 12,13 can_mesg[1] = can_mesg[1] | 0x08; // byte1_bit3 (0x08 = bin 1000) id(alarm_status) = "BMS"; ESP_LOGI("main", "BMS internal error JK bit 12,13 - can_msg[1] : %x", can_mesg[1]); } if ((jk_errormask & 0x80)) { // Cell Imbalance JK bit 7 can_mesg[1] = can_mesg[1] | 0x10; // byte1_bit4 (0x10 = bin 10000) ESP_LOGI("main", "Cell Imbalance JK bit 7 - can_msg[1] : %x", can_mesg[1]); } } // No Alarm else id(alarm_status) = "NoAlarm"; // +---------------------------+ // | Warning : byte 2 and 3 | // +---------------------------+ can_mesg[2] = 0x00; // byte2 (JK-BMS infos not available) can_mesg[3] = 0x00; // byte3 (JK-BMS infos not available) // +---------------------------+ // | Flags : byte 4 to 7 | // +---------------------------+ int batt_mods = ${batt_modules}; can_mesg[4] = batt_mods; // byte4 - Module in parallel can_mesg[5] = 0x00; // byte5 can_mesg[6] = 0x00; // byte6 can_mesg[7] = 0x00; // byte7 - DIP switches 1,3 10000100 0x84 ESP_LOGI("main", "send can id: 0x359 hex: %x %x %x %x %x %x %x %x", can_mesg[0], can_mesg[1], can_mesg[2], can_mesg[3], can_mesg[4], can_mesg[5], can_mesg[6], can_mesg[7]); return {can_mesg[0], can_mesg[1], can_mesg[2], can_mesg[3], can_mesg[4], can_mesg[5], can_mesg[6], can_mesg[7]}; - if: condition: lambda: return ((id(can_msg_counter) == 1) & ((${can_protocol} == 3) | (${can_protocol} == 4))); then: canbus.send: # Protection Alarms and Warning ( SMA / Victron ) can_id: 0x35A data: !lambda |- // +---------------------------+ // | Protection : byte 0,1,2,3 | // +---------------------------+ uint8_t can_mesg[] = {0, 0, 0, 0, 0, 0, 0, 0}; // JK-BMS alarm ? if (id(errors_bitmask).state > 1) { uint16_t jk_errormask = id(errors_bitmask).state; if ((jk_errormask & 0x04) | (jk_errormask & 0x80) | (jk_errormask & 0x400)) { // Hight.Voltage.Alarm JK bit 2,7,10 can_mesg[0] = 0x04; // byte0_bit2 (0x04 = bin 100) id(alarm_status) = "OVP"; ESP_LOGI("main", "Hight.Voltage.Alarm JK bit 2,7,10 - can_msg[0] : %x", can_mesg[0]); } if ((jk_errormask & 0x08) | (jk_errormask & 0x800)) { // Low.Voltage.Alarm JK bit 3,11 can_mesg[0] = can_mesg[0] | 0x10; // byte0_bit4 (0x10 = bin 10000) id(alarm_status) = "UVP"; ESP_LOGI("main", "Low.Voltage.Alarm JK bit 3,11 - can_msg[0] : %x", can_mesg[0]); } if ((jk_errormask & 0x02) | (jk_errormask & 0x10) | (jk_errormask & 0x100)) { // Hight.Temp.Alarm JK bit 1,4,8 can_mesg[0] = can_mesg[0] | 0x40; // byte0_bit6 (0x40 = bin 1000000) id(alarm_status) = "OTP"; ESP_LOGI("main", "Hight.Temp.Alarm JK bit 1,4,8 - can_msg[0] : %x", can_mesg[0]); } if ((jk_errormask & 0x200)) { // Low.Temp.Alarm JK bit 9 can_mesg[1] = 0x01; // byte1_bit0 (0x01 = bin 1) id(alarm_status) = "UTP"; ESP_LOGI("main", "Low.Temp.Alarm JK bit 9 - can_msg[1] : %x", can_mesg[1]); } if ((jk_errormask & 0x40)) { // Discharge.Over.Current JK bit 6 can_mesg[1] = can_mesg[1] | 0x40; // byte1_bit6 (0x40 = bin 1000000) id(alarm_status) = "DOCP"; ESP_LOGI("main", "Discharge.Over.Current JK bit 6 - can_msg[1] : %x", can_mesg[1]); } if ((jk_errormask & 0x20)) { // Charge.Over.Current JK bit 5 can_mesg[2] = 0x01; // byte2_bit0 (0x01 = bin 1) id(alarm_status) = "COCP"; ESP_LOGI("main", "Charge.Over.Current JK bit 5 - can_msg[2] : %x", can_mesg[2]); } if ((jk_errormask & 0x1000) | (jk_errormask & 0x2000)) { // BMS.Internal.Error JK bit 12,13 can_mesg[2] = can_mesg[2] | 0x40; // byte2_bit6 (0x40 = bin 1000000) id(alarm_status) = "BMS"; ESP_LOGI("main", "BMS internal error JK bit 12,13 - can_msg[2] : %x", can_mesg[2]); } if ((jk_errormask & 0x80)) { // Cell.Imbalance JK bit 7 can_mesg[3] = 0x01; // byte3_bit0 (0x01 = bin 1) ESP_LOGI("main", "Cell Imbalance JK bit 7 - can_msg[3] : %x", can_mesg[3]); } } // No Alarm else id(alarm_status) = "NoAlarm"; ESP_LOGI("main", "send can id: 0x35A hex: %x %x %x %x %x %x %x %x", can_mesg[0], can_mesg[1], can_mesg[2], can_mesg[3], can_mesg[4], can_mesg[5], can_mesg[6], can_mesg[7]); return {can_mesg[0], can_mesg[1], can_mesg[2], can_mesg[3], can_mesg[4], can_mesg[5], can_mesg[6], can_mesg[7]}; - if: condition: lambda: return id(can_msg_counter) == 2; then: canbus.send: # BMS instruction : Charge Volts, Charge Amps, Discharge Amps, Min voltage can_id: 0x351 data: !lambda |- // +--------------------------------------+ // | Charging Logic | // +--------------------------------------+ // Warning : information from JK BMS is not available immediately after boot // Alarm : if JK-BMS alarm ! if (id(errors_bitmask).state > 1) { id(charge_status) = "Alarm"; } // No Alarm => Wait else if ((id(errors_bitmask).state < 2) & (id(charge_status) == "Alarm")) { id(charge_status) = "Wait"; } // Disabled : charging disabled if BMS or ESP32 switch is OFF else if ((!id(charging_switch).state) | (!id(switch_charging).state)) { id(charge_status) = "Disabled"; } // No Disabled => Wait else if ((id(charging_switch).state) & (id(switch_charging).state) & (id(charge_status) == "Disabled")) { id(charge_status) = "Wait"; } // Bulk Manually : after switch ON 'Charging manually (top bal)' else if (id(switch_chg_bulk).state) { id(charge_status) = "Bulk Manually"; } // No Bulk Manually => Wait else if ((!id(switch_chg_bulk).state) & (id(charge_status) == "Bulk Manually")) { id(charge_status) = "Wait"; } // Bulk : if Batt. V. <= ( Absorption V. - Rebulk Offset V. ) ( Bulk : <= 55.2-2.5 = 52.7V by default ) else if (id(total_voltage).state <= (id(bulk_voltage).state - id(rebulk_offset).state)) { id(charge_status) = "Bulk"; if (id(absorption_script).is_running()) id(absorption_script).stop(); } // Absorption : if Batt. V >= ( Absorption V. - Absorption Offset V. ) ( Absorption : >= 55.2-0.05 = 55.15V by default ) else if ((id(charge_status) == "Bulk") & (id(total_voltage).state >= (id(bulk_voltage).state - id(absorption_offset).state))) { id(charge_status) = "Absorption"; if (!id(absorption_script).is_running()) id(absorption_script).execute(); // 10 % from top start absorption timer } // Float : if Batt. V. > ( Absorption V. - Rebulk Offset V. ) and Float switch is ON ( Float : after Absorption or > 55.2-2.5 = 52.7V by default ) else if ((id(switch_chg_float).state) & (id(charge_status) == "Wait")) { id(charge_status) = "Float"; } // No Float => Wait else if ((!id(switch_chg_float).state) & (id(charge_status) == "Float")) { id(charge_status) = "Wait"; } // +--------------------------------------+ // | Charge values | // +--------------------------------------+ // Bulk Charge if ((id(charge_status) == "Bulk") | (id(charge_status) == "Bulk Manually") | (id(charge_status) == "Absorption")) { id(charging_v) = id(bulk_voltage).state; id(charging_a) = id(charging_current).state; } // Float Charge else if (id(charge_status) == "Float") { id(charging_v) = id(float_voltage).state; id(charging_a) = id(charging_current).state; } // Disabled or Wait : Stop Charging else if ((id(charge_status) == "Disabled") | (id(charge_status) == "Wait")) { id(charging_v) = round(id(total_voltage).state * 10)/10; // Actual battery voltage id(charging_a) = 0; } // +--------------------------------------+ // | Discharge values | // +--------------------------------------+ // Stop Discharging if BMS or ESP32 switch is OFF if ((!id(discharging_switch).state) | (!id(switch_discharging).state)) id(discharging_a) = 0; // Stop Discharging if battery voltage is low else if (id(total_voltage).state <= ${min_discharge_v}) id(discharging_a) = 0; // Discharging is OK else id(discharging_a) = ${discharge_a}; // +--------------------------------------+ // | Alarm overwrite values | // +--------------------------------------+ ESP_LOGI("main", "Alarm Status : %s", id(alarm_status).c_str()); // Alarm : Stop Charging and Discharging if ((id(alarm_status) == "OTP") | (id(alarm_status) == "BMS")){ id(charging_v) = 51.2; id(charging_a) = 0; id(discharging_a) = 0; } // Alarm : Stop Charging else if ((id(alarm_status) == "OVP") | (id(alarm_status) == "UTP") | (id(alarm_status) == "COCP")){ id(charging_v) = 51.2; id(charging_a) = 0; } // Alarm : Stop Discharging else if ((id(alarm_status) == "UVP") | (id(alarm_status) == "DOCP")){ id(discharging_a) = 0; } // +--------------------------------------+ // | CAN messages | // +--------------------------------------+ // Byte [00:01] = CVL : Charge Limit Voltage // Byte [02:03] = CCL : Charge Limit Current // Byte [04:05] = DCL : Discharge Limit Current // Byte [06:07] = DVL : Discharge Limit Voltage uint8_t can_mesg[8]; can_mesg[0] = uint16_t(id(charging_v) * 10) & 0xff; can_mesg[1] = uint16_t(id(charging_v) * 10) >> 8 & 0xff; can_mesg[2] = uint16_t(id(charging_a) * 10) & 0xff; can_mesg[3] = uint16_t(id(charging_a) * 10) >> 8 & 0xff; can_mesg[4] = uint16_t(id(discharging_a) * 10) & 0xff; can_mesg[5] = uint16_t(id(discharging_a) * 10) >> 8 & 0xff; can_mesg[6] = uint16_t(${min_discharge_v} * 10) & 0xff; can_mesg[7] = uint16_t(${min_discharge_v} * 10) >> 8 & 0xff; // Publish text sensor id(charging_status).publish_state(id(charge_status)); // Logs ESP_LOGI("main", "send can id: 0x351 hex: %x %x %x %x %x %x %x %x", can_mesg[0], can_mesg[1], can_mesg[2], can_mesg[3], can_mesg[4], can_mesg[5], can_mesg[6], can_mesg[7]); ESP_LOGI("main", "Charge Status : %s", id(charge_status).c_str()); return {can_mesg[0], can_mesg[1], can_mesg[2], can_mesg[3], can_mesg[4], can_mesg[5], can_mesg[6], can_mesg[7]}; - if: condition: lambda: return id(can_msg_counter) == 3; then: canbus.send: # Actual State of Charge (SOC) / State of Health (SOH) can_id: 0x355 data: !lambda |- int soh = round(((id(charging_cycles).state/${max_cycles})-1)*-100); uint8_t can_mesg[4]; can_mesg[0] = uint16_t(id(capacity_remaining).state) & 0xff; can_mesg[1] = uint16_t(id(capacity_remaining).state) >> 8 & 0xff; can_mesg[2] = soh & 0xff; can_mesg[3] = soh >> 8 & 0xff; ESP_LOGI("main", "send can id: 0x355 hex: %x %x %x %x", can_mesg[0], can_mesg[1], can_mesg[2], can_mesg[3]); return {can_mesg[0], can_mesg[1], can_mesg[2], can_mesg[3]}; - if: condition: lambda: return id(can_msg_counter) == 4; then: canbus.send: # Actual Voltage / Current / Temperature (Deye 0x305 ACK) can_id: 0x356 data: !lambda |- uint8_t can_mesg[6]; can_mesg[0] = uint16_t(id(total_voltage).state * 100) & 0xff; can_mesg[1] = uint16_t(id(total_voltage).state * 100) >> 8 & 0xff; can_mesg[2] = int16_t(id(current).state * 10) & 0xff; can_mesg[3] = int16_t(id(current).state * 10) >> 8 & 0xff; can_mesg[4] = int16_t(max(id(temperature_sensor_1).state, id(temperature_sensor_2).state)* 10) & 0xff; can_mesg[5] = int16_t(max(id(temperature_sensor_1).state, id(temperature_sensor_2).state)* 10) >> 8 & 0xff; ESP_LOGI("main", "send can id: 0x356 hex: %x %x %x %x %x %x", can_mesg[0], can_mesg[1], can_mesg[2], can_mesg[3], can_mesg[4], can_mesg[5]); return {can_mesg[0], can_mesg[1], can_mesg[2], can_mesg[3], can_mesg[4], can_mesg[5]}; - if: condition: lambda: return ((id(can_msg_counter) == 5) & ((${can_protocol} == 1) | (${can_protocol} == 2))); then: canbus.send: # Request flag to Enable/Disable: Charge, Discharge ( Pylontech / Goodwe / Seplos ) can_id: 0x35C data: !lambda |- uint8_t can_mesg[2]; can_mesg[0] = 0x00; can_mesg[1] = 0x00; // Bit 7 : Charge enable if ((id(charging_switch).state) & (id(switch_charging).state)) can_mesg[0] = 0x80; // Bit 6 : Discharge enable if ((id(discharging_switch).state) & (id(switch_discharging).state)) can_mesg[0] = can_mesg[0] | 0x40; ESP_LOGI("main", "send can id: 0x35C hex: %x %x", can_mesg[0], can_mesg[1]); return {can_mesg[0], can_mesg[1]}; - if: condition: lambda: return ((id(can_msg_counter) == 6) & (${can_protocol} == 2)); then: canbus.send: # Actual Max Cell Temp, Min Cell Temp, Max Cell V, Min Cell V ( Pylontech / Goodwe / Seplos ) can_id: 0x70 data: !lambda |- // Byte [00:01] : Max cell temperature // Byte [02:03] : Min cell temperature // Byte [04:05] : Max cell voltage // Byte [06:07] : Min cell voltage int max_cell_voltage_i = id(max_cell_voltage).state * 100.0; int min_cell_voltage_i = id(min_cell_voltage).state * 100.0; uint8_t can_mesg[8]; can_mesg[0] = int16_t(max(id(temperature_sensor_1).state, id(temperature_sensor_2).state)* 10) & 0xff; can_mesg[1] = int16_t(max(id(temperature_sensor_1).state, id(temperature_sensor_2).state)* 10) >> 8 & 0xff; can_mesg[2] = int16_t(min(id(temperature_sensor_1).state, id(temperature_sensor_2).state)* 10) & 0xff; can_mesg[3] = int16_t(min(id(temperature_sensor_1).state, id(temperature_sensor_2).state)* 10) >> 8 & 0xff; can_mesg[4] = max_cell_voltage_i & 0xff; can_mesg[5] = max_cell_voltage_i >> 8 & 0xff; can_mesg[6] = min_cell_voltage_i & 0xff; can_mesg[7] = min_cell_voltage_i >> 8 & 0xff; ESP_LOGI("main", "send can id: 0x70 hex: %x %x %x %x %x %x %x %x", can_mesg[0], can_mesg[1], can_mesg[2], can_mesg[3], can_mesg[4], can_mesg[5], can_mesg[6], can_mesg[7]); return {can_mesg[0], can_mesg[1], can_mesg[2], can_mesg[3], can_mesg[4], can_mesg[5], can_mesg[6], can_mesg[7]}; - if: condition: lambda: return ((id(can_msg_counter) == 6) & (${can_protocol} == 2)); then: - canbus.send: # Actual Max Cell Temp ID, Min Cell Temp ID, Max Cell V ID, Min Cell ID ( Pylontech / Goodwe / Seplos ) can_id: 0x371 data: !lambda |- // Byte [00:01] : Max cell temperature ID // Byte [02:03] : Min cell temperature ID // Byte [04:05] : Max cell voltage ID // Byte [06:07] : Min cell voltage ID uint8_t can_mesg[8]; // Min-Max Temp. Sensor ID ? if (id(temperature_sensor_1).state >= id(temperature_sensor_2).state){ can_mesg[0] = 0x01; can_mesg[2] = 0x02; } else { can_mesg[0] = 0x02; can_mesg[2] = 0x01; } can_mesg[1] = 0x00; can_mesg[3] = 0x00; can_mesg[4] = uint16_t(id(max_voltage_cell).state) & 0xff; can_mesg[5] = uint16_t(id(max_voltage_cell).state) >> 8 & 0xff; can_mesg[6] = uint16_t(id(min_voltage_cell).state) & 0xff; can_mesg[7] = uint16_t(id(min_voltage_cell).state) >> 8 & 0xff; ESP_LOGI("main", "send can id: 0x371 hex: %x %x %x %x %x %x %x %x", can_mesg[0], can_mesg[1], can_mesg[2], can_mesg[3], can_mesg[4], can_mesg[5], can_mesg[6], can_mesg[7]); return {can_mesg[0], can_mesg[1], can_mesg[2], can_mesg[3], can_mesg[4], can_mesg[5], can_mesg[6], can_mesg[7]}; - if: condition: lambda: return ((id(can_msg_counter) == 7) & (${can_protocol} == 4)); then: - canbus.send: # Battery modules information ( Victron ) can_id: 0x372 data: !lambda |- // Byte [00:01] : Nbr. of battery modules online // Byte [02:03] : Nbr. of modules blocking charge // Byte [04:05] : Nbr. of modules blocking discharge // Byte [06:07] : Nbr. of battery modules offline uint8_t can_mesg[] = {0, 0, 0, 0, 0, 0, 0, 0}; can_mesg[0] = 0x01; ESP_LOGI("main", "send can id: 0x372 hex: %x %x %x %x %x %x %x %x", can_mesg[0], can_mesg[1], can_mesg[2], can_mesg[3], can_mesg[4], can_mesg[5], can_mesg[6], can_mesg[7]); return {can_mesg[0], can_mesg[1], can_mesg[2], can_mesg[3], can_mesg[4], can_mesg[5], can_mesg[6], can_mesg[7]}; - if: condition: lambda: return ((id(can_msg_counter) == 8) & (${can_protocol} == 4)); then: canbus.send: # Actual Min Cell V, Max Cell V, Min Cell Temp (Kelvin), Max Cell Temp (Kelvin) ( Victron ) can_id: 0x373 data: !lambda |- // Byte [00:01] : Min cell voltage // Byte [02:03] : Max cell voltage // Byte [04:05] : Min cell temperature // Byte [06:07] : Max cell temperature int min_cell_voltage_i = id(min_cell_voltage).state * 1000.0; int max_cell_voltage_i = id(max_cell_voltage).state * 1000.0; int min_temp_kelvin = min(id(temperature_sensor_1).state, id(temperature_sensor_2).state) + 273.15; int max_temp_kelvin = max(id(temperature_sensor_1).state, id(temperature_sensor_2).state) + 273.15; uint8_t can_mesg[8]; can_mesg[0] = min_cell_voltage_i & 0xff; can_mesg[1] = min_cell_voltage_i >> 8 & 0xff; can_mesg[2] = max_cell_voltage_i & 0xff; can_mesg[3] = max_cell_voltage_i >> 8 & 0xff; can_mesg[4] = min_temp_kelvin & 0xff; can_mesg[5] = min_temp_kelvin >> 8 & 0xff; can_mesg[6] = max_temp_kelvin & 0xff; can_mesg[7] = max_temp_kelvin >> 8 & 0xff; ESP_LOGI("main", "send can id: 0x373 hex: %x %x %x %x %x %x %x %x", can_mesg[0], can_mesg[1], can_mesg[2], can_mesg[3], can_mesg[4], can_mesg[5], can_mesg[6], can_mesg[7]); return {can_mesg[0], can_mesg[1], can_mesg[2], can_mesg[3], can_mesg[4], can_mesg[5], can_mesg[6], can_mesg[7]}; - if: condition: lambda: return ((id(can_msg_counter) == 8) & (${can_protocol} == 4)); then: - canbus.send: # Min cell voltage ID [ASCII] ( Victron ) can_id: 0x374 data: !lambda |- int cell_id = id(min_voltage_cell).state; ESP_LOGI("main", "send can id: 0x374 [ASCII] Min cell voltage ID : %i", cell_id); if (cell_id == 1) return {0x31, 0x00, 0x00, 0x00, 0x00, 0x00, 0x00, 0x00}; else if (cell_id == 2) return {0x32, 0x00, 0x00, 0x00, 0x00, 0x00, 0x00, 0x00}; else if (cell_id == 3) return {0x33, 0x00, 0x00, 0x00, 0x00, 0x00, 0x00, 0x00}; else if (cell_id == 4) return {0x34, 0x00, 0x00, 0x00, 0x00, 0x00, 0x00, 0x00}; else if (cell_id == 5) return {0x35, 0x00, 0x00, 0x00, 0x00, 0x00, 0x00, 0x00}; else if (cell_id == 6) return {0x36, 0x00, 0x00, 0x00, 0x00, 0x00, 0x00, 0x00}; else if (cell_id == 7) return {0x37, 0x00, 0x00, 0x00, 0x00, 0x00, 0x00, 0x00}; else if (cell_id == 8) return {0x38, 0x00, 0x00, 0x00, 0x00, 0x00, 0x00, 0x00}; else if (cell_id == 9) return {0x39, 0x00, 0x00, 0x00, 0x00, 0x00, 0x00, 0x00}; else if (cell_id == 10) return {0x31, 0x30, 0x00, 0x00, 0x00, 0x00, 0x00, 0x00}; else if (cell_id == 11) return {0x31, 0x31, 0x00, 0x00, 0x00, 0x00, 0x00, 0x00}; else if (cell_id == 12) return {0x31, 0x32, 0x00, 0x00, 0x00, 0x00, 0x00, 0x00}; else if (cell_id == 13) return {0x31, 0x33, 0x00, 0x00, 0x00, 0x00, 0x00, 0x00}; else if (cell_id == 14) return {0x31, 0x34, 0x00, 0x00, 0x00, 0x00, 0x00, 0x00}; else if (cell_id == 15) return {0x31, 0x35, 0x00, 0x00, 0x00, 0x00, 0x00, 0x00}; else if (cell_id == 16) return {0x31, 0x36, 0x00, 0x00, 0x00, 0x00, 0x00, 0x00}; else return {0x00, 0x00, 0x00, 0x00, 0x00, 0x00, 0x00, 0x00}; - if: condition: lambda: return ((id(can_msg_counter) == 8) & (${can_protocol} == 4)); then: - canbus.send: # Max cell voltage ID [ASCII] ( Victron ) can_id: 0x375 data: !lambda |- int cell_id = id(max_voltage_cell).state; ESP_LOGI("main", "send can id: 0x375 [ASCII] Max cell voltage ID : %i", cell_id); if (cell_id == 1) return {0x31, 0x00, 0x00, 0x00, 0x00, 0x00, 0x00, 0x00}; else if (cell_id == 2) return {0x32, 0x00, 0x00, 0x00, 0x00, 0x00, 0x00, 0x00}; else if (cell_id == 3) return {0x33, 0x00, 0x00, 0x00, 0x00, 0x00, 0x00, 0x00}; else if (cell_id == 4) return {0x34, 0x00, 0x00, 0x00, 0x00, 0x00, 0x00, 0x00}; else if (cell_id == 5) return {0x35, 0x00, 0x00, 0x00, 0x00, 0x00, 0x00, 0x00}; else if (cell_id == 6) return {0x36, 0x00, 0x00, 0x00, 0x00, 0x00, 0x00, 0x00}; else if (cell_id == 7) return {0x37, 0x00, 0x00, 0x00, 0x00, 0x00, 0x00, 0x00}; else if (cell_id == 8) return {0x38, 0x00, 0x00, 0x00, 0x00, 0x00, 0x00, 0x00}; else if (cell_id == 9) return {0x39, 0x00, 0x00, 0x00, 0x00, 0x00, 0x00, 0x00}; else if (cell_id == 10) return {0x31, 0x30, 0x00, 0x00, 0x00, 0x00, 0x00, 0x00}; else if (cell_id == 11) return {0x31, 0x31, 0x00, 0x00, 0x00, 0x00, 0x00, 0x00}; else if (cell_id == 12) return {0x31, 0x32, 0x00, 0x00, 0x00, 0x00, 0x00, 0x00}; else if (cell_id == 13) return {0x31, 0x33, 0x00, 0x00, 0x00, 0x00, 0x00, 0x00}; else if (cell_id == 14) return {0x31, 0x34, 0x00, 0x00, 0x00, 0x00, 0x00, 0x00}; else if (cell_id == 15) return {0x31, 0x35, 0x00, 0x00, 0x00, 0x00, 0x00, 0x00}; else if (cell_id == 16) return {0x31, 0x36, 0x00, 0x00, 0x00, 0x00, 0x00, 0x00}; else return {0x00, 0x00, 0x00, 0x00, 0x00, 0x00, 0x00, 0x00}; - if: condition: lambda: return ((id(can_msg_counter) == 8) & (${can_protocol} == 4)); then: - canbus.send: # Min cell temperature ID [ASCII] ( Victron ) can_id: 0x376 data: !lambda |- // Min Temp. Sensor ID ? if (id(temperature_sensor_1).state >= id(temperature_sensor_2).state){ ESP_LOGI("main", "send can id: 0x376 [ASCII] Min Temp. Sensor ID : 2"); return {0x32, 0x00, 0x00, 0x00, 0x00, 0x00, 0x00, 0x00}; } else { ESP_LOGI("main", "send can id: 0x376 [ASCII] Min Temp. Sensor ID : 1"); return {0x31, 0x00, 0x00, 0x00, 0x00, 0x00, 0x00, 0x00}; } - if: condition: lambda: return ((id(can_msg_counter) == 8) & (${can_protocol} == 4)); then: - canbus.send: # Max cell temperature ID [ASCII] ( Victron ) can_id: 0x377 data: !lambda |- // Max Temp. Sensor ID ? if (id(temperature_sensor_1).state >= id(temperature_sensor_2).state){ ESP_LOGI("main", "send can id: 0x377 [ASCII] Max Temp. Sensor ID : 1"); return {0x31, 0x00, 0x00, 0x00, 0x00, 0x00, 0x00, 0x00}; } else { ESP_LOGI("main", "send can id: 0x377 [ASCII] Max Temp. Sensor ID : 2"); return {0x32, 0x00, 0x00, 0x00, 0x00, 0x00, 0x00, 0x00}; } - if: condition: lambda: return ((id(can_msg_counter) == 9) & ((${can_protocol} == 2) | (${can_protocol} == 4))); then: - canbus.send: # Battery Installed Capacity Ah ( Victron, Sol-Ark, Luxpower ) can_id: 0x379 data: !lambda |- uint8_t can_mesg[] = {0, 0, 0, 0, 0, 0, 0, 0}; can_mesg[0] = uint16_t(id(total_battery_capacity_setting).state) & 0xff; can_mesg[1] = uint16_t(id(total_battery_capacity_setting).state) >> 8 & 0xff; ESP_LOGI("main", "send can id: 0x379 hex: %x %x %x %x %x %x %x %x", can_mesg[0], can_mesg[1], can_mesg[2], can_mesg[3], can_mesg[4], can_mesg[5], can_mesg[6], can_mesg[7]); return {can_mesg[0], can_mesg[1], can_mesg[2], can_mesg[3], can_mesg[4], can_mesg[5], can_mesg[6], can_mesg[7]}; - if: condition: lambda: return ((id(can_msg_counter) == 10) & (${can_protocol} == 4)); then: - canbus.send: # Product identification [ASCII] ( Victron ) can_id: 0x382 data: !lambda |- ESP_LOGI("main", "send can id: 0x382 [ASCII] Product : JK-BMS"); return {0x4A, 0x4B, 0x2D, 0x42, 0x4D, 0x53, 0x00, 0x00}; // JK-BMS - if: condition: lambda: return ((id(can_msg_counter) == 11) & ((${can_protocol} == 3) | (${can_protocol} == 4))); then: - canbus.send: # Battery information ( SMA, Victron ) can_id: 0x35F data: !lambda |- // SMA Victron // Byte [00:01] : Bat-Type Product ID // Byte [02:03] : BMS Version Firmware version (1.16 => HEX [01:10]) // Byte [04:05] : Bat-Capacity Available Capacity Ah // Byte [06:07] : Manufacturer ID Hardware version uint8_t can_mesg[] = {0, 0, 0, 0, 0, 0, 0, 0}; can_mesg[2] = 0x01; can_mesg[3] = 0x10; can_mesg[4] = uint16_t(id(total_battery_capacity_setting).state) & 0xff; can_mesg[5] = uint16_t(id(total_battery_capacity_setting).state) >> 8 & 0xff; ESP_LOGI("main", "send can id: 0x35F hex: %x %x %x %x %x %x %x %x", can_mesg[0], can_mesg[1], can_mesg[2], can_mesg[3], can_mesg[4], can_mesg[5], can_mesg[6], can_mesg[7]); return {can_mesg[0], can_mesg[1], can_mesg[2], can_mesg[3], can_mesg[4], can_mesg[5], can_mesg[6], can_mesg[7]}; - if: condition: lambda: return id(can_msg_counter) == 12; then: - canbus.send: can_id: 0x35E # Manufacturer name data: !lambda |- if (${can_bms_name} == 1){ ESP_LOGI("main", "send can id: 0x35E ASCII : PYLON"); return {0x50, 0x59, 0x4C, 0x4F, 0x4E, 0x20, 0x20, 0x20}; // PYLON ( recognized by Deye, display PYLON name and SOH ) } else if (${can_bms_name} == 2){ ESP_LOGI("main", "send can id: 0x35E ASCII : GOODWE"); return {0x47, 0x4F, 0x4F, 0x44, 0x57, 0x45, 0x20, 0x20}; // GOODWE } else if (${can_bms_name} == 3){ ESP_LOGI("main", "send can id: 0x35E ASCII : SHEnergy"); return {0x53, 0x48, 0x45, 0x6E, 0x65, 0x72, 0x67, 0x79}; // SHEnergy (SEPLOS) } # Reset counter - lambda: id(can_msg_counter) = 0;
This converter is now running since Aug-2023 without any issues. The live data in Home Assistant:
If you like my articles feel to donate a cappuccino or so…